Гайка с "плавающим" сердечником AS/AC

AS/AC

Материал: AS/AC

Описание
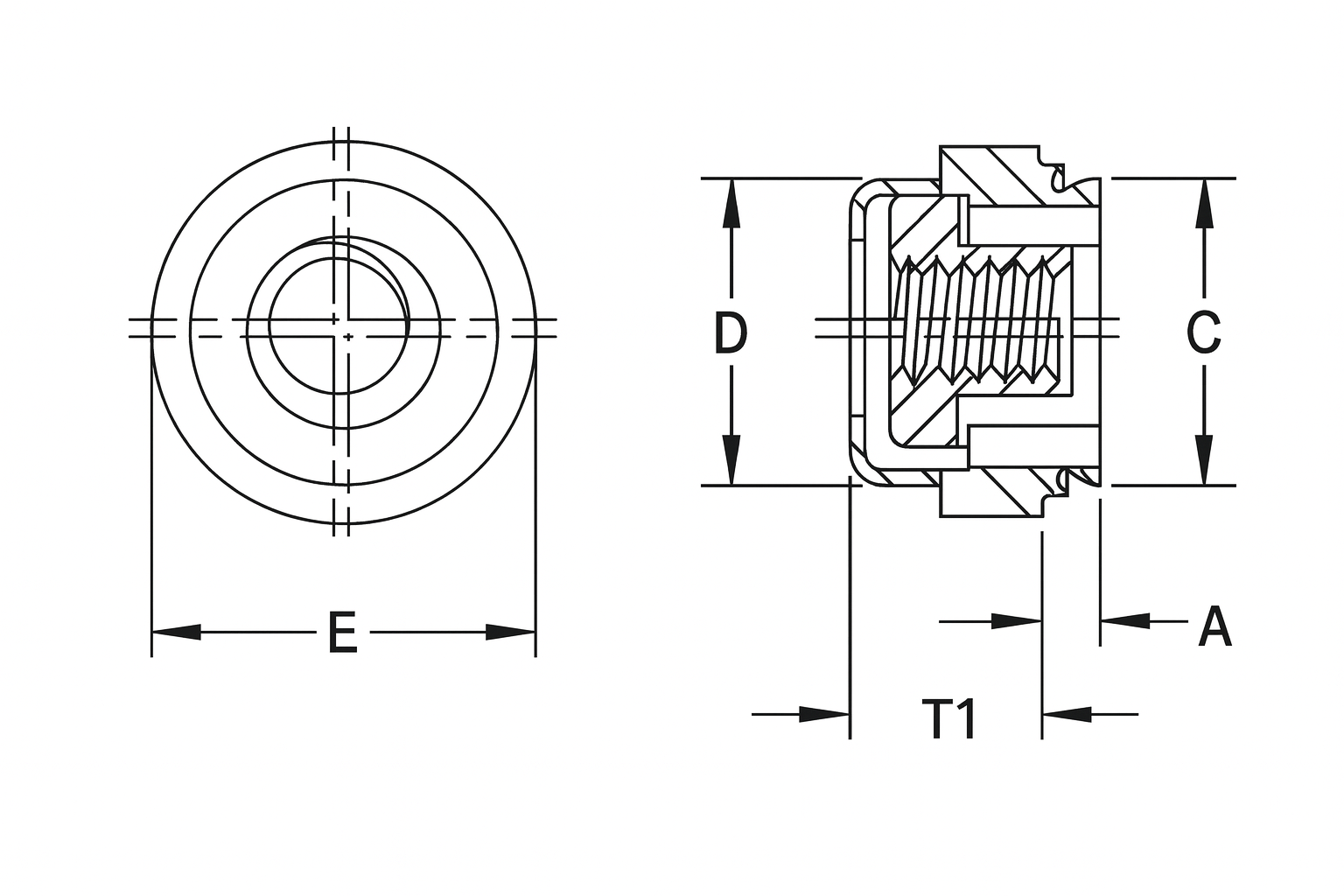
Размеры
Чертеж

Описание

Гайка с «плавающим» сердечником

Описание:
Гайка с плавающим сердечником предназначена для соединения несоосных отверстий с возможностью радиального смещения до 0,8 мм. Конструкция сердечника позволяет компенсировать небольшие отклонения при сборке, обеспечивая надёжное и устойчивое резьбовое соединение. Такой тип гайки широко применяется в сборках, где требуется точное совмещение деталей при возможных допусках в позиционировании отверстий.
Материал:
  • Тип AS – оцинкованная сталь
  • Тип AC – нержавеющая сталь AISI 300
Преимущества:
  • Компенсирует неточности при сверлении и сборке (до 0,8 мм радиального смещения)
  • Повышенная надёжность и устойчивость резьбового соединения
  • Простота установки методом запрессовки
  • Защита от коррозии (для версии AS — цинковое покрытие, для AC — нержавеющая сталь)

Размеры

-

Чертеж