Гайка запрессовочная с зубчатой накаткой KF2/KFS2



Материал: KF2/KFS2

Описание
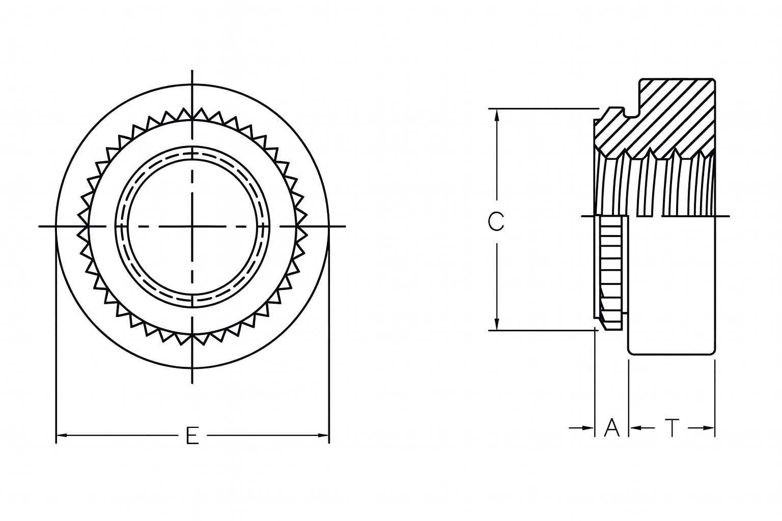
Размеры
Чертеж

Описание

Гайка запрессовочная стандартная с зубчатой накаткой

Описание:
Запрессовочная гайка предназначена для прочного и надёжного крепления в металлических листах, особенно из нержавеющей стали. Благодаря зубчатой накатке обеспечивается высокая устойчивость к проворачиванию и срыву. Конструкция гайки позволяет получить долговечное, герметичное и эстетичное соединение без выступающих элементов.
Материал:
  • Тип KF2 – сталь луженая оловом
  • Тип KFS2 – нержавеющая сталь
Преимущества:
  • Повышенная прочность соединения за счёт зубчатой накатки
  • Исключительная устойчивость к скручиванию и вибрации
  • Подходит для тонких листов из нержавеющей стали
  • Возможность применения в агрессивных средах благодаря коррозионной стойкости
  • Удобство монтажа — установка выполняется методом запрессовки

Размеры

Чертеж