Вставка резьбовая DIN 16903 форма K

Круглая закладная втулка с продольными насечками и глухим резьбовым отверстием. Обеспечивает высокое удержание, защиту резьбы и устойчивость к проворачиванию при литье пластмасс под давлением. Используется в конструкциях, где требуется герметичное и надёжное резьбовое соединение.

Модель: DIN 16903 форма K

Описание
Размеры
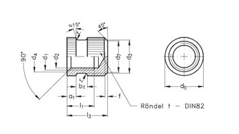
Чертеж

Описание

Резьбовая вставка DIN 16903 форма K — это круглая короткая закладная втулка закрытого типа с глухим резьбовым отверстием и наружными продольными насечками. Устанавливается в форму заранее, до заливки пластика, обеспечивая прочное монолитное крепление без дополнительной механической обработки. Используется как надёжная закладная деталь в процессе литья пластмасс под давлением.
Продольные насечки на внешней поверхности обеспечивают уверенное сцепление с материалом и предотвращают проворачивание или выталкивание втулки при вибрации и динамических нагрузках. Глухое отверстие защищает резьбу от попадания пыли, влаги, грязи и химически активных испарений, что повышает надёжность соединения и увеличивает срок службы изделия.
Материалы исполнения:
  • Латунь без покрытия
  • Сталь автоматная без покрытия
  • Нержавеющая сталь
Преимущества:
  • Глухое отверстие обеспечивает защиту внутренней резьбы;
  • Продольные насечки гарантируют высокое удержание в пластике;
  • Устойчивость к проворачиванию и осевым нагрузкам;
  • Герметичность и долговечность соединения;
  • Универсальная совместимость с инженерными пластмассами и композитами;
  • Надёжность при многократных циклах монтажа-разборки.
Применение:
Закладные втулки DIN 16903 форма K применяются в изделиях, где нужно прочное, герметичное и износостойкое резьбовое соединение. Используются в электротехнической продукции, корпусах приборов, устройств бытовой и промышленной техники, сборочных узлах из пластика, металла и композитов.
Применяются в медицинских приборах и инструментах, корпусах электронной аппаратуры и оргтехники, терминалах, автомобильных узлах (двигатели, КПП, элементы крепления), аэрокосмической и военной технике, направляющих, встроенных втулках, трубчатых деталях, шпильках и других резьбовых соединениях, требующих максимальной стабильности и устойчивости к нагрузкам.

Размеры

При необходимости мы можем изготовить изделие любых размеров и из любого материала по индивидуальному заказу.

Чертеж