Вставка резьбовая DIN 16903 форма H

Круглая закладная втулка с продольными насечками, упорным выступом и глухим отверстием. Обеспечивает защищённое, прочное и устойчивое к проворачиванию соединение в пластиковых деталях при литье под давлением. Подходит для узлов с повышенными нагрузками и требованием герметичности.

Модель: DIN 16903 форма H

Описание
Размеры
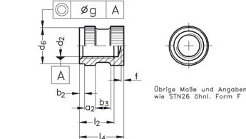
Чертеж

Описание

Резьбовая вставка DIN 16903 форма H (стандарт STN26 H) — это круглая закладная втулка короткого типа, оснащённая продольными насечками, упорным кольцевым выступом и глухим резьбовым отверстием. Применяется при литье пластмасс под давлением и устанавливается в форму до заливки материала, что обеспечивает высокую точность позиционирования и прочное интегрированное крепление.
Продольные насечки создают надёжное сцепление с пластиком и предотвращают проворачивание, смещение или выталкивание втулки при вибрационных, осевых и крутящих нагрузках. Упорный выступ исключает утопание втулки в процессе заливки и фиксирует её в заданной позиции. Глухое отверстие защищает резьбу от загрязнений, проникновения влаги и негативного воздействия среды.
Материалы исполнения:
  • Латунь без покрытия
  • Сталь автоматная без покрытия
  • Нержавеющая сталь
Преимущества:
  • Упорный выступ обеспечивает точное позиционирование в форме;
  • Глухое отверстие защищает внутреннюю резьбу;
  • Насечки гарантируют повышенное удержание в пластике;
  • Устойчивость к вибрации, крутящим и осевым нагрузкам;
  • Длительный срок службы и возможность многократной сборки;
  • Широкая совместимость с конструкционными пластмассами.
Применение:
Вставки DIN 16903 форма H применяются в деталях, где требуется максимально защищённое, прочное и долговечное резьбовое соединение. Используются в электротехнических изделиях, корпусах приборов и электронной аппаратуры, медицинских устройствах, бытовой технике, промышленном оборудовании, сборочных узлах из пластика, металлов и композитов.
Широко применяются в автомобильных механизмах (двигатели, коробки передач, узлы крепления), военной и аэрокосмической технике, корпусах оргтехники и терминалов, направляющих, встроенных втулках, трубчатых элементах, шпильках и резьбовых крепёжных деталях, где требуется высокая надёжность и устойчивость соединения.

Размеры

При необходимости мы можем изготовить изделие любых размеров и из любого материала по индивидуальному заказу.

Чертеж