Вставка резьбовая DIN 16903 форма B

Короткая цилиндрическая закладная втулка с насечкой для литья пластиков под давлением. Обеспечивает прочное внутреннее резьбовое соединение и устойчивость к проворачиванию. Применяется в деталях из пластмасс, композитов и технических полимеров.

Модель: DIN 16903 форма B

Описание
Размеры
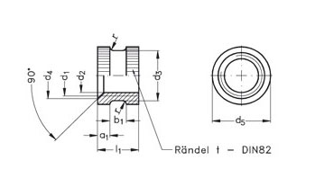
Чертеж

Описание

Вставка резьбовая закладная DIN 16903 форма B — это короткая цилиндрическая резьбовая втулка со сквозным отверстием и наружной насечкой, предназначенная для создания прочных резьбовых соединений в деталях, получаемых методом литья под давлением. Втулка устанавливается в форму заранее, до заливки пластика, обеспечивая интегрированное и долговечное соединение без дополнительной обработки.
Боковые насечки обеспечивают надёжное сцепление с материалом, предотвращают проворачивание и выталкивание при вибрационных и механических нагрузках. Конструкция гарантирует стабильность резьбы и возможность многократной сборки и разборки изделия без потери прочности.
Материалы исполнения:
  • Латунь — стандартный вариант с высокой коррозионной стойкостью;
  • Сталь автоматная — повышенная прочность для массового производства;
  • Нержавеющая сталь — максимальная устойчивость к влаге, химическим средам и перепадам температур.
Преимущества:
  • Надёжное удержание в пластике за счёт насечек;
  • Устойчивость к проворачиванию и выталкиванию;
  • Возможность многократной сборки;
  • Простая интеграция в процесс литья под давлением;
  • Подходит для различных пластиков и композитов.
Применение:
Закладные резьбовые втулки DIN 16903 форма B используются в электротехнике, приборостроении, бытовой технике, корпусных изделиях, медицинском оборудовании, автомобильных и авиационных компонентах. Применяются в любых конструкциях из пластмасс, где требуется усиленное резьбовое соединение и высокая надёжность.

Размеры

При необходимости мы можем изготовить изделие любых размеров и из любого материала по индивидуальному заказу.

Чертеж