Вставка резьбовая DIN 16903 форма T

Круглая закладная втулка без выступа, с продольными насечками и глухим резьбовым отверстием. Обеспечивает надёжное удержание и защиту резьбы при литье пластмасс под давлением. Используется в изделиях, где требуется компактная, герметичная и стойкая к нагрузкам резьбовая связь.

Модель: DIN 16903 форма T

Описание
Размеры
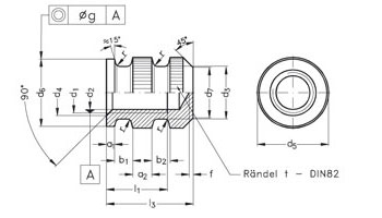
Чертеж

Описание

Резьбовая вставка DIN 16903 форма T — это круглая короткая закладная втулка закрытого типа с глухим резьбовым отверстием и наружными продольными насечками, предназначенная для применения при литье пластмасс под давлением. В отличие от модификаций с бортиком, форма T не имеет выступа, что позволяет использовать её в конструкциях с ограниченным пространством или при необходимости установки на заподлицо.
Втулка устанавливается в форму заранее, до заливки пластика, обеспечивая прочное монолитное соединение без необходимости дальнейшей механической обработки. Продольные насечки на боковой поверхности создают высокое сцепление с материалом и предотвращают проворачивание и выталкивание втулки при вибрации, крутящих и осевых нагрузках. Глухое отверстие защищает резьбу от попадания влаги, пыли, грязи и химически активных испарений.
Материалы исполнения:
  • Латунь без покрытия
  • Сталь автоматная без покрытия
  • Нержавеющая сталь
Преимущества:
  • Отсутствие выступа — компактная установка в ограниченных полостях;
  • Глухое отверстие обеспечивает герметичность и защиту резьбы;
  • Продольные насечки надёжно фиксируют втулку в пластике;
  • Устойчивость к вибрации, осевым и крутящим нагрузкам;
  • Подходит для большинства инженерных пластиков и композитов;
  • Длительный ресурс и возможность многократной сборки-разборки.
Применение:
Вставки DIN 16903 форма T используются в деталях, где требуется компактное, прочное и герметичное резьбовое соединение. Применяются в электротехнических изделиях, корпусах приборов, бытовой технике, промышленном оборудовании, электронных устройствах и сборочных узлах из пластика, металлов и композитов.
Широко задействуются в медицинских приборах, корпусах оргтехники, терминалах, автомобильных узлах (двигатели, КПП, крепёжные элементы), а также в аэрокосмической и военной технике. Используются во встроенных втулках, направляющих, трубчатых элементах, шпильках и других конструкционных деталях, где требуется высокая устойчивость и долговечность резьбового соединения.

Размеры

При необходимости мы можем изготовить изделие любых размеров и из любого материала по индивидуальному заказу.

Чертеж