Вставка резьбовая DIN 16903 форма A

Короткая шестигранная закладная втулка со сквозным отверстием, устанавливаемая в форму до заливки пластика. Обеспечивает прочное, стабильное и износостойкое резьбовое соединение. Шестигранные грани гарантируют устойчивость к проворачиванию и выталкиванию.

Модель: DIN 16903 форма A

Описание
Размеры
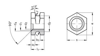
Чертеж

Описание

Резьбовая вставка DIN 16903 форма A — это короткая шестигранная цилиндрическая втулка со сквозным отверстием, предназначенная для формирования прочного резьбового соединения в деталях, изготавливаемых методом литья пластмасс под давлением. Втулка закладывается в форму до заливки материала, обеспечивая монолитное и долговечное крепление без дополнительной механической обработки.
Шестигранная боковая поверхность гарантирует надёжное сцепление с пластиком, исключая проворачивание и выталкивание даже при значительных вибрационных или крутящих нагрузках. Конструкция позволяет многократно собирать и разбирать изделие без ухудшения качества резьбы.
Материалы исполнения:
  • Латунь — стандартный вариант с хорошей коррозионной стойкостью;
  • Сталь автоматная — подходит для массового производства, обеспечивает высокую прочность;
  • Нержавеющая сталь — максимальная устойчивость к коррозии, влаге и агрессивным средам.
Преимущества:
  • Шестигранная форма исключает проворачивание;
  • Высокая устойчивость к вырыванию;
  • Совместимость с большинством конструкционных пластиков и композитов;
  • Удобная интеграция в процесс литья под давлением;
  • Надёжная внутренняя резьба, рассчитанная на многократные циклы монтажа.
Применение:
Закладные резьбовые вставки DIN 16903 форма A применяются в деталях, где требуется усиленное и долговечное резьбовое соединение при производстве изделий из пластика, композитов и металлов. Они широко используются в электротехнической продукции, корпусах приборов, бытовой технике, промышленном оборудовании, автомобильных узлах, аэрокосмических и военных системах.

Размеры

При необходимости мы можем изготовить изделие любых размеров и из любого материала по индивидуальному заказу.

Чертеж