Вставка резьбовая ULTRALOK-A сквозная

Вплавляемые вставки для пластика, устанавливаемые нагревом, ультразвуком или как закладные перед формованием. Имеют сквозную резьбу и рёбра двойного направления для максимальной устойчивости к крутящим нагрузкам. Обеспечивают прочное соединение в широком спектре пластиков.

Модель: ULTRALOK-A сквозная

Описание
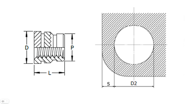
Чертеж

Описание

Резьбовые втулки ULTRALOK-A предназначены для установки методом нагрева, ультразвукового вплавления или использования как закладные перед формованием пластиковых деталей. Это универсальные вплавляемые гайки (вставки) для пластика, аналогичные резьбовым втулкам S-LOK 860–861, обеспечивающие долговечное и прочное соединение в изделиях из термопластов.
Конструкция втулки представляет собой сквозную резьбовую вставку с двумя зонами наружных рёбер, направленных в противоположные стороны. Такая геометрия обеспечивает высокий уровень сопротивления кручению и предотвращает проворачивание при нагрузках. Дополнительные продольные канавки увеличивают сопротивление выталкиванию и улучшают удержание в массиве пластика.
При монтаже ULTRALOK-A втулка должна располагаться заподлицо с поверхностью детали. Монтажное отверстие подбирается с точным соответствием рекомендованному диаметру. Установка возможна как методом нагрева, так и ультразвуковым вплавлением — оба способа обеспечивают корректную посадку и максимальную прочность фиксации.
Материалы исполнения:
  • Латунь
  • Сталь нержавеющая
  • Сталь автоматная
  • Алюминий
Преимущества:
  • Возможность вплавления нагревом или ультразвуком;
  • Подходит также для закладки в форму перед формованием;
  • Двойные рёбра обеспечивают высокое сопротивление крутящим нагрузкам;
  • Канавки увеличивают удержание и предотвращают выталкивание;
  • Универсальна для широкого спектра инженерных пластиков;
  • Ровная посадка заподлицо с монтажной поверхностью.
Применение:
ULTRALOK-A используются в оборудовании, корпусных деталях, промышленных изделиях, бытовой технике, электронике, приборостроении, автомобильных и авиационных компонентах. Применяются как в уже готовых пластиковых деталях (вплавление или ультразвук), так и как закладные втулки при литье под давлением.

Чертеж