Вставка резьбовая DIN 16903 форма G

Шестигранная закладная втулка с глухим отверстием и упорным выступом для литья под давлением. Обеспечивает максимально надёжное удержание в пластике и защиту резьбы от влаги и загрязнений. Устойчива к проворачиванию и выталкиванию.

Модель: DIN 16903 форма G

Описание
Размеры
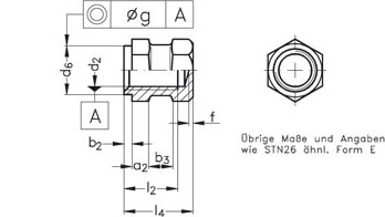
Чертеж

Описание

Резьбовая вставка DIN 16903 форма G (стандарт STN26 G) — это короткая шестигранная закладная втулка с глухим резьбовым отверстием и упорным выступом, предназначенная для применения в процессе литья пластмасс под давлением. Втулка помещается в форму до заливки пластика, что обеспечивает прочное и долговечное соединение без последующей обработки.
Шестигранная наружная форма создаёт мощное сцепление с материалом и гарантирует устойчивость к проворачиванию, смещению и выталкиванию при вибрационных или механических нагрузках. Упорный выступ облегчает позиционирование втулки в форме и предотвращает её погружение при заливке. Глухое отверстие защищает резьбу от попадания пыли, влаги, грязи и химически активных испарений, повышая надёжность и срок службы соединения.
Материалы исполнения:
  • Латунь — устойчива к коррозии, обеспечивает стабильное качество резьбы;
  • Сталь автоматная — прочный и экономичный вариант для массового производства;
  • Нержавеющая сталь — максимальная антикоррозийная защита и стойкость к агрессивным средам.
Преимущества:
  • Надёжная фиксация благодаря шестигранной форме;
  • Глухое отверстие защищает резьбу от загрязнений и влаги;
  • Упорный выступ обеспечивает точное позиционирование в форме;
  • Устойчивость к проворачиванию, выталкиванию и вибрационным нагрузкам;
  • Подходит для различных инженерных пластиков и композитов;
  • Расчитана на многократные циклы сборки.
Применение:
Вставки DIN 16903 форма G используются в деталях, требующих герметичного и усиленного резьбового соединения. Они востребованы в производстве пластиковых, стальных и композитных изделий, в электротехнической продукции, корпусах приборов, промышленном оборудовании, бытовой технике.
Применяются в медицинских устройствах, корпусах электроники и оргтехники, банковских терминалах, автомобильных узлах (двигатели, КПП, механизмы), аэрокосмических системах, военной технике, приборостроении, а также в направляющих, втулках, шпильках и резьбовых крепёжных узлах, где требуются максимальная стойкость и долговечность резьбового соединения.

Размеры

При необходимости мы можем изготовить изделие любых размеров и из любого материала по индивидуальному заказу.

Чертеж