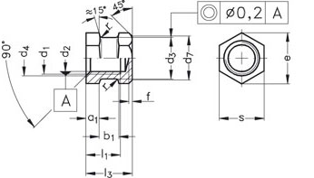
Вставка резьбовая DIN 16903 форма E

Короткая шестигранная закладная втулка с глухим резьбовым отверстием для литья под давлением. Обеспечивает прочное, защищённое и устойчивое к проворачиванию соединение в пластиковых деталях. Идеальна для узлов, где требуется герметичность и повышенная надёжность.

Модель: DIN 16903 форма E

Описание
Размеры
Чертеж

Описание

Резьбовая вставка DIN 16903 форма E (стандарт STN26 E) — это короткая шестигранная закладная втулка с глухим резьбовым отверстием, предназначенная для формирования прочного и долговечного резьбового соединения в деталях, производимых методом литья пластмасс под давлением. Втулка размещается в форме заранее, до заливки расплава, что обеспечивает монолитную фиксацию без необходимости последующей механической обработки.
Шестигранная боковая поверхность обеспечивает надёжное сцепление с материалом и предотвращает проворачивание или выталкивание втулки при вибрационных, крутящих и осевых нагрузках. Благодаря глухому отверстию внутренняя резьба остаётся защищённой от пыли, грязи, влаги и химически активных испарений, что особенно важно в изделиях с повышенными требованиями к герметичности и долговечности.
Материалы исполнения:
  • Латунь без покрытия
  • Сталь автоматная без покрытия
  • Нержавеющая сталь
Преимущества:
  • Глухое отверстие полностью защищает внутреннюю резьбу;
  • Устойчивость к проворачиванию благодаря шестигранной геометрии;
  • Высокая фиксация в пластике при литье под давлением;
  • Долговечная резьба, рассчитанная на многократный монтаж;
  • Надёжная работа в условиях вибраций и нагрузок;
  • Подходит для большинства инженерных пластиков и композитов.
Применение:
Вставки DIN 16903 форма E используются в деталях, где необходима повышенная защита резьбового узла и высокая прочность крепления. Применяются в электротехнических изделиях, корпусах приборов, бытовой технике, промышленном оборудовании, санитарно-технических устройствах, сборочных узлах из пластика, композитов и металлов.
Находят широкое применение в медицинских приборах, корпусах оргтехники и терминалов, электронных устройствах, автомобильных механизмах (двигатели, КПП, узлы крепления), аэрокосмических конструкциях, военной технике, направляющих, трубчатых элементах, шпильках и других резьбовых крепёжных узлах, где требуется стабильность и надёжность соединения.

Размеры

При необходимости мы можем изготовить изделие любых размеров и из любого материала по индивидуальному заказу.

Чертеж