Вставка резьбовая DIN 16903 форма F

Круглая закладная втулка с наружными насечками и глухим отверстием, предназначенная для литья под давлением. Обеспечивает надёжное крепление и защиту резьбы от влаги и загрязнений. Насечки гарантируют устойчивость к проворачиванию и выталкиванию.

Модель: DIN 16903 форма F

Описание
Размеры
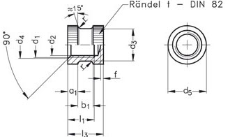
Чертеж

Описание

Резьбовая вставка DIN 16903 форма F (стандарт STN26 F) — это круглая короткая закладная втулка с наружной насечкой и глухим резьбовым отверстием. Применяется для создания прочных и долговечных резьбовых соединений в деталях, изготавливаемых методом литья пластмасс под давлением. Втулка устанавливается в форму до заливки пластика, что обеспечивает надёжную интеграцию без дополнительной механической обработки.
Боковые насечки обеспечивают уверенное сцепление с пластиком, предотвращают проворачивание и выталкивание при вибрационных или динамических нагрузках. Глухое отверстие защищает внутреннюю резьбу от попадания пыли, грязи, влаги и химических испарений, повышая долговечность и стабильность соединения.
Материалы исполнения:
  • Латунь — устойчивый к коррозии материал, оптимальный для большинства пластиков;
  • Сталь автоматная — прочный и экономичный вариант для массового производства;
  • Нержавеющая сталь — максимальная защита от влаги, коррозии и агрессивных сред.
Преимущества:
  • Глухое отверстие защищает внутреннюю резьбу;
  • Насечки обеспечивают надёжное удержание в пластике;
  • Устойчивость к проворачиванию и выталкиванию;
  • Подходит для деталей, подвергающихся частой сборке и эксплуатации;
  • Совместимость с различными конструкционными пластиковыми материалами;
  • Лёгкая и безопасная интеграция в процессы литья под давлением.
Применение:
Закладные резьбовые вставки DIN 16903 форма F используются в изделиях, где требуется защищённое, герметичное и прочное резьбовое соединение. Они широко применяются в производстве пластиковых, композитных и металлических деталей; в электротехнике; бытовой технике; корпусах электронных устройств; промышленном оборудовании; приборостроении; автомобилестроении.
Также используются в медицинских приборах, электронике, корпусах оргтехники, аэрокосмических и военных системах, механизмах управления, кабельных вводах, направляющих и других узлах, где требуется долговечное и защищённое резьбовое соединение внутри пластиковых конструкций.

Размеры

При необходимости мы можем изготовить изделие любых размеров и из любого материала по индивидуальному заказу.

Чертеж