Вставка резьбовая DIN 16903 форма P

Шестигранная закладная втулка с глухим резьбовым отверстием для использования при литье пластмасс под давлением. Обеспечивает высокую устойчивость к проворачиванию, надёжную фиксацию и защиту резьбы от загрязнений. Применяется в конструкциях, требующих герметичного и долговечного соединения.

Модель: DIN 16903 форма P

Описание
Размеры
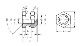
Чертеж

Описание

Резьбовая вставка DIN 16903 форма P — это короткая шестигранная закладная втулка закрытого типа с глухим резьбовым отверстием, предназначенная для установки в форму до заливки пластика. Она обеспечивает прочное, стабильное и долговечное резьбовое соединение без необходимости дополнительной механической обработки после формования изделия. Используется как надежная закладная деталь в процессе литья под давлением.
Шестигранная форма наружной поверхности гарантирует уверенное сцепление с пластмассовым материалом и предотвращает проворачивание или выталкивание втулки под воздействием вибрационных, осевых и крутящих нагрузок. Глухое отверстие эффективно защищает резьбу от попадания пыли, влаги, грязи и агрессивных химических испарений, что улучшает долговечность и сохранность соединения.
Материалы исполнения:
  • Латунь без покрытия
  • Сталь автоматная без покрытия
  • Нержавеющая сталь
Преимущества:
  • Глухое отверстие обеспечивает герметичность и защиту резьбового узла;
  • Шестигранная наружная форма исключает проворачивание;
  • Надёжное удержание при литье под давлением;
  • Высокая износостойкость и долговечность даже при многократном монтаже;
  • Компактная конструкция подходит для изделий с ограниченной толщиной стенок;
  • Совместимость с широким спектром конструкционных пластмасс и композитов.
Применение:
Вставки DIN 16903 форма P используются в изделиях, где требуется прочное, защищённое и долговечное резьбовое соединение. Применяются в электротехнических компонентах, корпусах приборов, бытовой технике, промышленном оборудовании, узлах из пластика, металлов и композитов.
Широко используются в медицинских приборах, электронных устройствах, корпусах оргтехники, банковских терминалах, автомобильных узлах (двигатели, КПП, крепёжные узлы), аэрокосмической и военной технике, а также во встроенных втулках, направляющих, трубках и шпильках, где требуется высокая стабильность и надёжность крепления.

Размеры

При необходимости мы можем изготовить изделие любых размеров и из любого материала по индивидуальному заказу.

Чертеж