Винт подпружиненный запрессовочный панельный PFC2P

Обеспечивает прочное крепление в тонколистовом металле. Используется как невыпадающий винт для панелей и крышек, устанавливается методом запрессовки без сварки.

Описание
Характеристики
Размеры
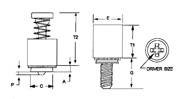
Чертеж

Описание

Винт подпружиненный запрессовочный панельный PFC2P предназначен для создания прочных и долговечных резьбовых соединений в тонколистовом металле. Специальная конструкция позволяет использовать винт как невыпадающий элемент, что исключает его потерю при сборке, демонтаже и обслуживании оборудования.
Монтаж выполняется методом запрессовки с помощью пресса без ударных воздействий. При установке металл панели заполняет кольцевую канавку корпуса винта, обеспечивая надёжную фиксацию без проворачивания и вырывания. После запрессовки головка располагается заподлицо с поверхностью, сохраняя аккуратный и эстетичный внешний вид изделия.
Материал исполнения:
  • PFC2P — нержавеющая сталь AISI 300, устойчивая к коррозии, влаге и химическим воздействиям; подходит для эксплуатации в промышленных и наружных условиях.
Преимущества:
  • Возможность использования как невыпадающего винта;
  • Прочная фиксация без сварки и пайки;
  • Установка без повреждения материала;
  • Устойчивость к коррозии и вибрациям;
  • Эстетичный внешний вид после монтажа.
Применение:
Винты PFC2P применяются в электронике, приборостроении, телекоммуникационном оборудовании, корпусных и промышленных конструкциях, где требуется многократный доступ к узлам и надёжная фиксация без риска потери крепёжных элементов.

Характеристики

Модель: PFC2P

Размеры

При необходимости мы можем изготовить изделие любых размеров и из любого материала по индивидуальному заказу.

Чертеж