Втулка запрессовочная заземляющая SOSG/SOAG

Самозаклинивающийся крепёж для надёжного электрического соединения и заземления в тонколистовом металле. Обеспечивает стабильный токопроводящий контакт без сварки и дополнительных деталей.

Описание
Характеристики
Размеры
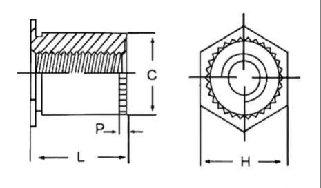
Чертеж

Описание

Втулка запрессовочная заземляющая SOSG/SOAG — это самозаклинивающаяся стойка, предназначенная для создания надёжного механического и электрического соединения в тонколистовом металле. Устанавливается методом запрессовки (самозаклинивания), что гарантирует прочную фиксацию без сварки, пайки или дополнительных крепёжных элементов.
Особая конструкция втулки со специальными насечками и фланцевой зоной контакта обеспечивает устойчивое заземление благодаря непосредственному электрическому контакту с поверхностью панели. Это предотвращает ослабление соединения при вибрациях, нагрузках и длительной эксплуатации.
Материалы исполнения:
  • SOSG — сталь или нержавеющая сталь, обеспечивающая повышенную прочность и устойчивость к коррозии;
  • SOAG — алюминий, отличающийся малым весом и стойкостью к окислению.
Преимущества:
  • Прочное и стабильное электрическое соединение;
  • Установка без сварки, пайки и дополнительного крепежа;
  • Высокая стойкость к вибрациям, нагрузкам и коррозии;
  • Обеспечение надёжного заземления через контакт с металлической поверхностью;
  • Простота монтажа и долговечность.
Применение:
Электротехническое и телекоммуникационное оборудование, приборостроение, машиностроение, промышленное производство и металлические корпуса, где требуется надёжное заземление и долговечное резьбовое соединение без сварки.

Характеристики

Модель: SOSG/SOAG

Размеры

При необходимости мы можем изготовить изделие любых размеров и из любого материала по индивидуальному заказу.

Чертеж