Шпилька запрессовочная безрезьбовая TPS/TP4

Позиционирующий штифт из нержавеющей стали для точного совмещения и фиксации деталей. Устанавливается методом запрессовки или заклёпывания, обеспечивая прочное и коррозионностойкое соединение.

Описание
Характеристики
Размеры
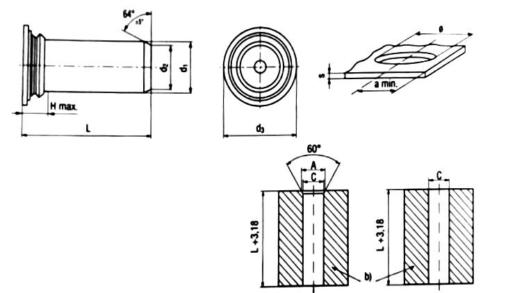
Чертеж

Описание

Шпилька запрессовочная безрезьбовая TPS/TP4 представляет собой высокоточный крепёжный элемент, используемый для позиционирования, центрирования и фиксации деталей в тонколистовых металлических конструкциях.
Эти штифты обеспечивают надёжное соединение без применения сварки, клея или дополнительных крепёжных элементов, что делает их удобными для серийного и автоматизированного производства.
Благодаря особой форме корпуса и насечкам, штифты TPS/TP4 обеспечивают плотную посадку в материале, предотвращают проворачивание и смещение даже при вибрационных и динамических нагрузках. После установки формируют прочное и долговечное соединение с точным позиционированием деталей.
Материалы исполнения:
  • TPS — нержавеющая сталь 300 серии, обладающая высокой коррозионной стойкостью и пластичностью;
  • TP4 — нержавеющая сталь 400 серии, отличающаяся повышенной твёрдостью и износостойкостью.
Преимущества:
  • Обеспечивают точное позиционирование и центрирование деталей;
  • Устойчивость к вибрациям, коррозии и механическим нагрузкам;
  • Простота установки методом запрессовки или заклёпывания;
  • Не требуют сварки, пайки или клея;
  • Подходят для тонколистового металла и лёгких конструкций.
Применение:
Заклёпочные штифты TPS/TP4 используются в машиностроении, приборостроении, электронике, строительстве, телекоммуникационном оборудовании и производстве металлических корпусов, где требуется точная фиксация и высокая надёжность соединения.

Характеристики

Модель: TPS/TP4

Размеры

При необходимости мы можем изготовить изделие любых размеров и из любого материала по индивидуальному заказу.

Чертеж